Skip to content
View in the app

A better way to browse. Learn more.

Tinkerunity

A full-screen app on your home screen with push notifications, badges and more.

To install this app on iOS and iPadOS
  1. Tap the Share icon in Safari
  2. Scroll the menu and tap Add to Home Screen.
  3. Tap Add in the top-right corner.
To install this app on Android
  1. Tap the 3-dot menu (⋮) in the top-right corner of the browser.
  2. Tap Add to Home screen or Install app.
  3. Confirm by tapping Install.

Tutorial : Labornetzgerät mit TF-Komponenten

Featured Replies

Geschrieben

Moin,

 

im Folgenden entsteht hier eine Anleitung zum Bau eines Labornetzgerätes,

welches über TF-Komponenten gesteuert wird.

 

Warum ? :

Computergestützte Labornetzteile gibt es genügend, allerdings leisten die

meist nicht das, was sie leisten könnten/müssten oder sind abenteuerlich

preisintensiv.

Was soll das Labornetzteil können :

 

-zweikanalige Spannungseinstellung mit Feedback

-zweikanalige Strombegrenzung bzw. elektronische Sicherung

-zweikanalige Strommessung

-eine zusäztliche einstellbare Stromquelle mit Feedback

-Programme abarbeiten (z.B. langsames Hochfahren auf einen bestimmten

Wert innerhalb einer vorgegebenen Zeit), solche Funktionen benutze ich,

um Röhren vor dem Testen langsam in der Heizleistung "hochzufahren"

-Messdaten aufnehmen und speichern (*csv-Format)

 

 

1.Teil : Spannunsgerzeugung / Baugruppen

2.Teil : Strommessung / Spannungsfeedback

3.Teil : elektronische Sicherung (stromabhängig)

4.Teil : Feedback-Messungen / Steuerung

5.Teil : Streifenrasterplatine, vielseitiger als man denkt

6.Teil : Layout

7.Teil : Bauteile / Stückliste / Preise

8.Teil : mechanischer Aufbau - Tips

9.Teil : Anbindung an die Software, Besonderheiten

 

Datenblätter der verwendeten Halbleiter im Anhang

OP07.pdf

78xx_79xx-ua.pdf

IRF640A.pdf

4n25_1.pdf

BS170.pdf

BC556.pdf

BC546.pdf

Geschrieben
  • Autor

Teil 1

 

Die Baugruppen :

 

Die Spannungsversorgung, Trafo's und Gleichrichtung

index.php?action=dlattach;topic=3635.0;attach=2610;image

Für die Signalverarbeitung vom Brick-System benötigen wir eine symmetrische Versorgungsspannung von +-15VDC.

Der hierfür benötigte Trafo (2*15VAC) ist ein 5-W-Typ, so dass je Sekundärwicklung 167mA zur Verfügung stehen - nach Gleichrichtung noch etwa

115mA, was mehr als ausreichend ist.

Für die Gleichrichtung werden handelsübliche Dioden vom Typ 1N4001 (1A, max. 80V) benutzt. Als Spannungsregler werden hier die typischen 7815 und 7915

verwendet, welche eine max. Stromlast von 1A liefern können.

Für unseren Anwendungszweck benötigen die Spannungsregler keinen Kühlkörper -

wir benötigen nur wenige mA.

 

Trafo 2 :

hier muss, ausgehend von der max. Ausgangsspannung etwas gerechnet werden.

Das Netzgerät ist so ausgelegt, dass verschiedene max. Ausgangsspannungen

(bis zu 180 V, falls gewünscht) erzeugt werden können.

Gehen wir mal von einer max. Ausgangsspannung von 30 V Gleichspannung bei

einem max. Strom von 3A aus :

Ueff(Wechselspannung) = (U(Gleichspannung)+1,4)/1,414

--> Ueff = (30+1,4)/1,414

--> = 22,43V

Strom :

Ieff = I(Gleichstrom)*1,414

--> Ieff = 3A * 1,414

--> = 4,24A

mit etwas Sicherheitsreserve wählen wir einen Trafo mit

- einer Ausgangsspannung von 24V

- einem Ausgangsstrom von 5A,

so dass hier ein Typ mit 120W bzw. 125W benutzt wird (z.B. Ringkerntrafo).

 

Hinweis :

Es gibt verschiedene Trafotypen (Ringkern, M-Kern, Schnitbandkern ...).

Diese verschiedenen Trafos haben auch verschiedene Leistungskennlinien :

während ein Trafo mit Schnittbandkern oder M-Kern mit einer Sekundäespannung

von 24V ausreichen, um die 30V Gleichspannung mit 3A zu erzeugen, wird's beim

Ringkerntrafo sehr knapp - hier kann die max. Ausgangsgleichspannung bei

24VAC nicht mehr als 28 V DC betragen. Dies ist begründet in den Wickeleigenschaften der Trafos. Ein Ringkerntrafo wird früher "in die

Sättigung getrieben" als ein M-Kern- oder Schnittbandkern-Trafo.

Soll in jedem Fall die 30V erreicht werden, muss oben errechneter Wert (22,43V)

noch mal mit 1,2 multipliziert werden, so dass wir 27V Wechselspannung benötigen. Hierzu später noch einiges in Teil 7.

 

Die Dioden (D2) müssen den nötigen Stromfluss verkraften können :

die Typen 1Nxxx sind handelsüblich bis 3A erhältlich.

Für größere Stromstärken können Typen wie

BY214 (6A, 200V)

BY500/200 (5A, 200V)

BYW29-200 (8A, 200V)

MBR1060 (10A, 60V)

MBR20100 (20A, 100V)

benutzt werden.

Auch diese Typen sind handelsüblich bei Reichelt, Conrad oder

RS Components erhältlich.

 

Die Widerstandswerte vor den Leuchtdioden (1K) gelten nur als Beispiel, sollen

z.B. LowCurrent-Leuchtdioden benutzt werden, muss auch hier gerechnet werden :

Beispiel :

LowCurrent-LED, Grün, max. 2mA

gewählter Strom : 1,5mA - Vorwärstspannung der Leuchtdiode : 1,85V

Vorwiderstand = (U - 1,85V)/0,0015A

--> (15V-1,85V)/0,0015A

--> = 8777 Ohm,

nächster Wert aus der E24-Reihe : 8200 Ohm.

Die gleiche Vorgehensweise gilt für die LED und den Vorwiderstand R(d).

 

Der Widerstand R(G) :

Der Widerstand R(G) bildet zusammen mit den Kondensatoren C1 und C2 ein

sog. Pi-Glied, welches einerseits für eine Glättung des gepulsten Gleichstromes

sorgt, andererseits auch einen niedrigen Ausgangswiderstand bereitstellt.

Hier kann man lange 'rumrechnen, allerdings tun's Erfahrungswerte hier auch :

Über R(G) sollen bei max. Strom (hier 3A) 250mV abfallen :

R(G) = 0,25V/3A = 0,083 Ohm --> wir benutzen hier 0,1Ohm.

Leistung über R(G) :

P(G) = U(R(G))*I(R(G))

mit U=R*I --> P(G) = I(R(G))^2*R(G)

= 3A*3A*0,1Ohm = 0,9W

Hier sollte ein 2-W-Typ benutzt werden.

Die Kondensatoren C1 und C2 :

C1 : je 1A Strom : 2200µF

C2 : je 1A Strom : 1000µF,

so dass sich hier folgende Werte ergeben :

C1 : 6600µF, nächster gängiger Wert : 6800µF

C2 : 3000µF, nächster gängiger Wert : 4700µF

der 100nF-Kondensator(0µ1) unterdrückt "Hochfrequenzmüll"

 

Die TF-Komponenten :

 

index.php?action=dlattach;topic=3635.0;attach=2612;image

 

benötigt wird (als min. Anforderung für einen Kanal):

ein Master-Brick

ein Analog-Out 2.0 Bricklet

ein Industrial Dual Analog In 1.0 Bricklet.

 

Für die zweikanalige Ausführung wird nochmals

ein Analog-Out 2.0 Bricklet

ein Industrial Dual Analog In 1.0 Bricklet

benötigt.

 

Soll noch eine Stromquelle hinzugefügt werden oder die elektronische Sicherung

in Stromstärke und Ansprechverhalten einstellbar sein, wird's noch etwas mehr,

dazu später mehr.

 

Da hier ggf. zwei Kanäle versorgt werden, sind die Massepotentiale zu trennen.

In den Schaltplänen ist das Massepotential (0V) der Bricklets in Blau gezeichnet.

Über die Zusammenführung der Massepotentiale - falls nötig - wird noch eingehend eingegangen.

 

Die Verwendung eines "Step-Down Power Supply" ist optional, über die Versorgung dieses Wandlers später mehr.

 

Spannungsübertragung Brick --> Analogschaltung

 

index.php?action=dlattach;topic=3635.0;attach=2614;image

 

Wie schon erwähnt gibt es (vorerst) kein gemeinsames Massepotential - dies ist

in der Möglichkeit begründet, beide Spannungsquellen in Reihe zu schalten, womit ein gemeinsames Massepotential der beiden Kanäle nicht möglich ist.

Aus diesem Grund führen wir unsere Steuerspannung aus dem Analog Out 2.0

Bricklet auf einen Optokoppler vom Typ 4N28. Dieser hat zwischen 1mA und 10mA

Arbeitsstrom einen recht linearen Übertragungsverlauf.

Der Ausgang des Optokopplers (Emitter, Pin 4) arbeitet auf einen 1KiloOhm

Widerstand und erzeugt hier, galvanisch getrennt, die Referenzspannung.

Diese wird durch den Operationsverstärker OP07 entkoppelt (Verstärkung : 1),

womit dieser OP-Amp als Impedanzwandler arbeitet.

Mit dem 20-KiloOhm Trimmpoti wird der Offset (welcher beim OP07 nur wenige µV

beträgt) abgeglichen.

Über den 33-Ohm Widerstnd und den 220µF Kondensator wird die Versorgung des

Optokopplers von den +15V entkoppelt.

Für 1mA Ausgangsstrom des Optokopplers benötigen wir einen Eingangsstrom von

1,98mA. Hierbei beträgt der Spannungsfall an der Leuchtdiode des Optokopplers

1,08V. Mit dem Serienwiderstand von 680 Ohm ist hier eine Steuerspannung von

U(S) = 1,08 + (680*0,00198) = 2,4264 V nötig.

Das Ganze für 10mA Ausgangsstrom :

Spannungsfall der LED : 1,174V

nötiger Steuerstrom : 12,48mA

--> U(S) = 1,174 + (680*0,01248) = 9,6604 V.

Mit diesen beiden Werten erzeugen wir über dem Referenzwiderstand von 1 KiloOhm

die Referenzspannungen von 1V und 10V, bzw. alles dazwischen.

Weiteres im späteren Teil 9.

 

Der Leistungsteil :

 

index.php?action=dlattach;topic=3635.0;attach=2620;image

 

Von der gepufferten Referenzspannung geht's zum zweiten Operationsverstärker,

welcher die eigentliche Regelung vornimmt : hierzu wird die Referenzspannung

mit der Teilspannung an Pin 3 verglichen und geregelt.

Für unsere Teilspannung (Vergleichspannung) wird ein Spannungsteiler benötigt.

Diser besteht aus den Widerständen 5K6, 2K4 und dem Trimmpoti 1K0.

Da wir bei einer Referenzspannung von 10V eine Ausgangsspannung von 30V

erzeugen wollen, muss unsere Teilspannung ebenso 10 V betragen. In der hier

vorliegenden Dimensionierung ist der Bereich von 9V bis 11,3V mit dem

Trimmpoti einstellbar.

Der Jumper am Eingang (nach dem 15 K Widerstand) kann zum Abgleich des Offsets

auf GND gejumpert werden.

Die Kondensatoren (18pF, 1nF, 560pF und 2,2µF) dienen der Frequenzstabilität.

Der 120-Ohm-Widerstand am Gate des ersten FET's ist ein sog. Gate-Stopper : zusammen mit der Eingangskapazität des Fet's bildet der Widerstand ein Tiefpass-Filter, um ein Schwingen zu vermeiden.

Der 2. FET muss auf einem Kühlkörper montiert werden, hierzu mehr in

Teil 8 : mechanischer Aufbau.

Über den Widerstand von 0,1 Ohm vor dem Drain-Anschluss des Ausgangs-FET's

wird der Stromfluss gemessen.

 

Mehr Strom - bitte sehr :

 

index.php?action=dlattach;topic=3635.0;attach=2618

 

Soll das Netzteil mehr Strom liefern, wird der Ausgangs-FET um einen weiteren,

parallel geschalteten FET, erweitert.

Es werden je Gate und Source Widerstände angeschlossen, um evt. differente

Stromflüsse auszugleichen - an der Ansteuerungsbeschaltung ändert sich nichts.

 

001_01.jpg.35968f1a72d241924dfdccb548791d9e.jpg

001_02.jpg.09e69e64421aeeba41557a6b0e3feb4b.jpg

001_03.jpg.22dd514b922adb3ec1a7681a118c85d2.jpg

001_05.jpg.9ae26d0496feb036fcaac0808f700299.jpg

001_04.jpg.9b157c2bec953fa8938e776e1a5c25d0.jpg

Geschrieben
  • Autor

Teil 2

 

Die Ausgangssituation :

 

index.php?action=dlattach;topic=3635.0;attach=2626;image

 

Hier noch mal die Ausgangsstufe des Netzteils :

Wir wollen in diesem Fall max. 3 Ampere Strom fließen lassen.

Über dem Widerstand von 0,1 Ohm haben wir damit ein Spannungsfall von 300mV

--> am Schnittpunkt von 0R1 und 180K liegen damit (theoretisch) 29,7 V.

Theoretisch deshalb, da die Eingangsspannung größer als 30 V sein muss, damit

auf 30 V geregelt werden kann, für die Berechnung ist es aber ein möglicher

Ansatzpunkt, da der Spannungsfall von 300mV

durch den Widerstandswert gegeben ist.

S(+) und S(-) sind die Sensoranschlüsse für die Strommessung.

Über den Spannungsteiler an S(I-) (36K-12K) fließt ein max. Strom von 625µA -

dies kann entweder vernachlässigt werden, oder aber (für die ganz genauen) in

der Software berücksichtigt werden, da mit dem Spannungsfeedback und dem

Widerstandswert des Spannungsteilers der Strom berechnet werden kann.

 

Hier folgt nun für die Messung die Spannungsversorgung, welche auch die

Bricks / Bricklets versorgt.

 

index.php?action=dlattach;topic=3635.0;attach=2628;image

 

Wir benutzen hier einmal +15VDC für die Operationsverstärker, die bricklet-

seitige Messanordnung und die Optokoppler.

Die Spannungsversorgung für die Bricklets sind wie folgt gekennzeichnet :

positive Betriebsspannung : ROT

negative Betriebsspannung : VIOLET/MAGENTA

Masse / gnd : BLAU

Da der Trafo auch (optional) das DC Step Down Brick versorgen soll, ist dieses

mit 25VA großzügig dimensioniert.

Die negative Hilfsspannung begnügt sich mit 5VA.

 

index.php?action=dlattach;topic=3635.0;attach=2630;image

Die Versorgung des DC Step Down Bricks wird nochmals entkoppelt

(10nF, 0,33 Ohm, 4700µF und 10nF).

 

Die Strommessung :

 

index.php?action=dlattach;topic=3635.0;attach=2632;image

 

Die Strommessung wird mit beiden Spannungsquellen versorgt :

- Vcc, Vee, gnd netzteilseitig

- V(B+), V(B-), gnd brickseitig

Die galvanische Trennung übernimmt wieder der 4N28.

 

Am Eingang S(I+) und S(I-) liegen zwei Spannungsteiler, die die Spannungen

am Stromsensor (Widerstand 0,1 Ohm) auf ein für den OP07 erträgliches Maß

reduzieren. Die Teilspannungen werden durch zwei OP07 gepuffert (Impedanzwandler) und dem Differenzverstärker zugeführt, welcher den Betrag

der Spannungen am Messwiderstand um den Faktor 133 verstärkt, damit der

Optokoppler in einem Bereich bis 10mA angesteuert werden kann.

In Serie zur Led des Optokopplers liegt ein Widerstand (680 Ohm) und ein

Trimmer (500 Ohm), welcher so eingestellt werden muss, dass der Gesamtwiderstand 884 Ohm beträgt.

Am Ausgang folgt noch ein Impedanzwandler, um den Optokoppler nicht durch

den Messeingang des Bricklets zu belasten.

Damit beträgt die Ausgangsspannung für 3A Strom 8V an U(I).

Bei einer Auflösung des Bricklets von 1mA

beträgt die Stromauflösung 375µA / mV.

Wird statt des 1K-Widerstands an Pin 3 ein 1K5 Widerstand benutzt,

beträgt die Auflösung 250µA / mV.

 

Da wir an S(I-) ja schon einen Spannungsteiler haben, benutzen wir diesen

- am Ausgang des Impedanzwandlers - für das Spannungsfeedback.

Der Anschluss hierfür ist U(S-).

index.php?action=dlattach;topic=3635.0;attach=2634;image

 

Die Messanordnung ist nahezu identisch mit der Strommessung :

die Impedanzwandler sind entfallen,

aus dem Differenzverstärker ist ein Impedanzwandler mit einem Verstärkungsfaktor von 1,33 geworden,

die Ansteuerung des 4N28 ist identisch, ebenso der Impedanzwandler im Ausgang.

Hier stehen ebenso 8V für die "Vollaussteuerung" (30V) zur Verfügung.

002_01.jpg.10acf089756f97245088260cc57ad580.jpg

002_02.jpg.08d4b229c334da5ff716992b9d092904.jpg

002_03.jpg.ac148cd23ad361037dfacbc3d4971ac1.jpg

002_04.jpg.0583562a09cf5be8ed027fc39189f724.jpg

002_05.jpg.5006cda5a2607309eed4aae323cf3c55.jpg

Geschrieben
  • Autor

Teil 3

 

Die elektronische Sicherung

 

index.php?action=dlattach;topic=3635.0;attach=2641;image

 

Eingänge :

U(S-) kennen wir ja schon von der Strommessung, hier liegt ein Spannungssignal

proportional zum Laststrom an (8V bei 3A).

An U(V1) liegt die Vergleichsspannung (ebenso im Verhältnis 8V für 3A), bei derer die Sicherung auslösen soll. Diese Spannung kann aus einem Analog Out 2.0

Bricklet stammen oder von der Spannungsquelle in Bild 003_02.

Der LF356 arbeitet als Komparator. Die beiden Leuchtdioden (grün und rot) zeigen den Zustand an. Dem Komparator folgt ein RC-Netzwerk und ein retriggerbares FlipFlop, damit das Relais nach dem Abfallen nicht sofort wieder

zugeschaltet wird.

Mit RT (100K) und Ct1 ist die Ansprech-Verzögerung realisiert,

sie beträgt etwa 75ms.

Mit RV (2,2MOhm) und Ct1 ist die Trägheit (Freigabeverzögerung) realisiert,

diese beträgt ca. 2 Sekunden.

Durch Zuschalten von Ct2, Ct3 oder beiden Kondensatoren können diese Zeiten

geändert werden. K-T2 und K-T3 können Schalter, Jumper oder Relais sein, die

durch ein IO-16 angesteuert werden.

Der CD4011 ist ein CMOS 4-fach NAND-Gatter.

Als Relais benutze ich hier den Finder-Typ FIN 40.61.9 12V.

Zu diesem Typ gibt es einen passenden Steck-Sockel.

Die Sicherung kann nach Ablauf der Freigabeverzögerung durch den Taster

an Pin 6 des CD4011 wieder aktiviert werden; dies kann auch per Software

und TF-Komponenten (IO-4 od. IO-16 mit nachfolgendem Relais) an den

Anschlüssen K(r1) und K(r2) realisiert werden,

ggf. auch parallel zum Taster, so sind beide Ansteuerungen möglich.

Am Ausgang U(D1) ist ein 5V-Signal realisiert, welches am IO-Modul den Zustand

an die TF-komponenten übergibt.

 

Manuelle Vergleichspannung an U(V1) :

 

index.php?action=dlattach;topic=3635.0;attach=2639;image

Hier wird die Ausgangsspannung über ein 10-Gang-Poti eingestellt (0..10V).

Die Schaltung um den Transistor BC556 ist eine trimmbare Stromquelle.

Der 50-Ohm Trimmer wird so eingestellt, dass am Collector des BC556 10,0V

anliegen. Die Leuchtdiode ist eine Low-Current-Led, grün, 2mA Nennstrom.

003_02.jpg.dbcc0e9de61f3b780152448705c3e5aa.jpg

003_01.jpg.c88088ad939e149d5f342d5b940850dc.jpg

Geschrieben
  • Autor

Teil 4 :

 

Feedback, Messung und Steuerung, TF-Komponenten

 

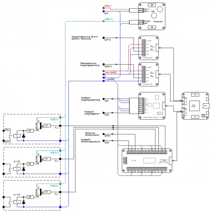
index.php?action=dlattach;topic=3635.0;attach=2657;image

 

Obiges Bild zeigt den vollständigen Ausbau eines Kanals mit den Verbindungen

zu den TF komponenten.

Von oben nach unten :

Das DC-Step-Down-Power-Supply : Dieses Modul wird wird von V(D+) gespeist,

gnd (blau) ist das Massepotential Brick-seitig, hier sollte ein sog. zentraler

Massepunkt gewählt werden, an dem alla Masseleitungen zusammenlaufen. Dieser

kann z.B. aus mehreren Lötösen bestehen, die auf einer M4-Schraube als Paket

befestigt werden (ist eine gut funktionierende Lösung).

Je ein Analog Out 2.0 Modul versorgt das Netzgerät mit der Steuerspannung für

die Ausgangsspannung Us(a1) und der Strom-Vergleichspannung U(V1), welche

die Sicherung begrenzt.

Beide Analog-Out-Module erhalten +15V an Vin von Vs+15VDC (rot), um Ausgangsspannungen bis zu 12V generieren zu können.

Das Industrial Dual Analog In Modul erhält über seine beiden Eingangskanäle

die Feedback-Spannungen

- Ausgangsspannung U(u)

- Ausgangsstrom U(i).

Das IO-16 Modul (hier wird pro Kanal eine Seite benutzt) erhält als Eingang

an A7 den Sicherungszustand über U(a), optional an A6 den Schaltzustand

der Sicherung.

A7 : High = Normalzustand, Low = Überlast

A6 : High = Sicherung geschaltet, Low = Sicherung nicht geschaltet

Um A6 anzusteuern,

muss die Sicherungsschaltung um einen Ausgang erweitert werden:

index.php?action=dlattach;topic=3635.0;attach=2663;image

dies geschieht mit einem Impedanzwandler, einem Widerstand und einer Zenerdiode, so dass hier als High-Pegel 5V anliegen - Anschluss S(FR).

Die Anschlüsse A7 und A6 müssen als Eingänge definiert werden.

Dier Ausgänge A0, A1 und A2 des IO-16 :

A0 steuert den Reset-Eingang (Schließen-Kontakt) der Sicherung

A1 und A2 schalten bei Bedarf weitere Kondensatoren zu den RC-Gliedern der

Sicherung, um die Verzögerungs- und Freigabe-Zeiten zu erhöhen.

Die hier dargestellten Teilschaltungen (z.B. K-T2) sind für 3V-Kleinrelais

wie z.B. Takamisawa-Fujitsu-NA3W ausgelegt. es können auch fertige Lösungen

von SaintSmart benutzt werden, die direkt an den IO-16 angeschlossen werden.

Die Spannungsversorgung ist dann ebenso über V(B5+) und gnd(blau) zu beziehen.

 

. . . Fortsetzung folgt . . .

004_01.jpg.c814040000ac1b152bcd282b34d2f4dd.jpg

004_01_big.thumb.jpg.ba85d19e1bb34244e0681d070bb8e38c.jpg

004_41.jpg.9fa722b225b5209cbe726e34f7bdabbd.jpg

Geschrieben
  • Autor

5.Teil : Streifenrasterplatine, vielseitiger als man denkt

 

index.php?action=dlattach;topic=3635.0;attach=2669;image

 

Beim obigen Bild (Spannungserzeugung, Regler) stellt sich nun die Frage :

wie machen ?

Im Fall einer Einzelfertigung scheidet ätzen eigentlich aus (es sei denn, dieses Verfahren wird bereits angewendet).

Gründe :

Kostenintensiv - es müssen Folien, Beleuchtungsmittel, Atzmittel ... gekauft werden, weiterhin hat man noch das Problem, die Ätzlauge wieder los zu werden.

Obendrein muss die Platine dann noch (mögl. genau) gebohrt werden.

Bleiben eigentlich noch zwei Möglichkeiten :

Lochrasterplatine oder Streifenrasterplatine.

Da in einer Richtung schon durchgehende Leiterbahnen existieren, benutze ich

meist Streifenrasterplatinen.

 

Vorbereitung :

An Hand des Schaltbildes lässt sich - wenn die Bauteilgröße bekannt ist -

ein "Layout" erstellen :

Bestückungsseite :

index.php?action=dlattach;topic=3635.0;attach=2671;image

 

"bereinigt" sieht das dann so aus :

index.php?action=dlattach;topic=3635.0;attach=2673;image

 

die Bohrungen im Streifenraster sind über die Nutzfläche gelegt,

der Rasterabstand beträgt 2,54 mm.

Die zu trennenden Leiterbahnbereiche sind durch schraffierte Rechtecke

gekennzeichnet und erstrecken sich im Normalfall von einer Bohrung zur nächsten, also über eine Länge von 2,54mm.

 

Wenn das bereinigte Layout jetzt gespiegelt wird, bekommen wir die

Ansicht der Lötseite, also genau die Ansicht,

auf der die Bahnen getrennt werden :

index.php?action=dlattach;topic=3635.0;attach=2675;image

Die "durchgehenden" vertikalen Linien sind Brücken.

Das Trennen der Leiterbahnen lässt sich ganz gut mit "Holzschnitzwerkzeug",

wie es in Baumärkten als 5-er Set oder 12-er Set angeboten wird, bewerkstelligen (es sind keine hochwertigen Werkzeuge - wenige €) - aber

für diesen Zweck völlig ausreichend. Da die Schneiden dieser Werkzeuge nicht

aus gehärtetem Werkzeugstahl sind, lassen sich die Schneiden mit feinem

Schmirgel oder eines Abziehsteins leicht schärfen.

Es gibt auch elektrische Leiterbahntrenner, ich rate aber dringend davon ab :

durch den hohen Stromfluss wird die Leiterbahn stark erhitzt und kann sich

beim anschließendem Löten vom Träger ablösen.

Die Layouts erstelle ich mit einem einfachen 2-D-CAD-Programm.

Arbeitszeiten für o.g. Beispiel :

Layout : ca. 30min.

Platinenvorbereitung : ca. 10min.

Wer möchte, kann natürlich auch ein "professionelles" Layout mit Eagle o.ä.

Programmen erstellen und die Dateien an

http://dirtypcbs.com/

schicken, die machen gute Arbeit für anständige Preise - man kann dort auch mal

im Store stöbern und sich die Preise ansehen.

 

Beispiel für eine bearbeitete Platine

index.php?action=dlattach;topic=3635.0;attach=2677;image

 

Gesamtansicht (Platine 100*160mm)

index.php?action=dlattach;topic=3635.0;attach=2679;image

 

Teilbestückt

index.php?action=dlattach;topic=3635.0;attach=2681;image

 

Das Erstellen solcher Platinen erfordert zwar etwas Eigeninitiative, bietet

aber viele Gestaltungsmöglichkeiten wie z.B. Größenreserve der Bauteil, sofortige Verfügbarkeit ...).

Obiges Beispiel benötigt eine Fläche von 63,5 (25*2,54) * 43,18 (17*2,54) mm

und nimmt daher knapp 25% einer Europlatine mit den Abmaßen 100*160mm ein.

Es können also mehrere Teilschaltungen auf einer Platine untergebracht werden.

Mehr dazu in Teil 6.

001_Layout_011.jpg.70f06831bb2805faebd505eb51397699.jpg

001_Layout_012.jpg.79ad395cf5659ddf047b336e0efcad24.jpg

001_Layout_013.jpg.8870e27c3b9d01a080aae55e7bc49894.jpg

001_Layout_014.jpg.910ea873f735b3528175efbd20e97eea.jpg

Platine_01.jpg.d7671e6d5502cc2efb7297e8ba446925.jpg

Platine_02.jpg.686068ad990fa29de6236a7602f7d65d.jpg

Platine_03.jpg.52da9b89a681e991f3536215df64d3c5.jpg

Join the conversation

You can post now and register later. If you have an account, sign in now to post with your account.

Gast
Reply to this topic...

Account

Navigation

Suche

Suche

Configure browser push notifications

Chrome (Android)
  1. Tap the lock icon next to the address bar.
  2. Tap Permissions → Notifications.
  3. Adjust your preference.
Chrome (Desktop)
  1. Click the padlock icon in the address bar.
  2. Select Site settings.
  3. Find Notifications and adjust your preference.